齿轮减速电机TGM7

二维码
分享
微信
新浪微博
QQ
QQ空间
豆瓣网
百度贴吧
品牌 TIMOTION
外壳材质 铝合金
产品特色文件.pdf3D.step其他

TGM7是专为工作环境应用中的办公桌而设计,藉由调降高度,它能提升员工工作中的舒适度并进一步提高产值。堤摩讯针对工作环境应用所设计的升降桌解决方案,包含高质量的齿轮减速电机、控制盒和手控器,它能安静又顺畅地调整桌子高度。TGM7即是此一解决方案中的产品,它搭配特殊设计的内建螺杆组和外部极限开关来达到控制升降的目的。

产品特色

  • 最大负载扭矩:7.2Nm

  • 满载时最快速度:78RPM (±5%)

  • 空载时最快速度:355RPM (±5%)

  • 信号输出:双霍尔传感器

  • 电压:24V DC

  • 最佳效能之工作温度范围:+5°C~+45°C

  • 低噪音

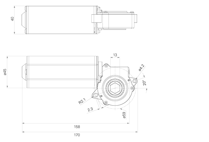
标准尺寸 (mm)



1、网站仅展示了部分产品,更多的需求请联系我们。

2关于多支推杆或升降柱同动、同步、个性化程序控制等问题,请联系我们。

3产品都是按照订单生产,没有现货,需求各有不同,价格协议。